网站支持IPV6
省级教学资源(申报)验收
一网通办
在线教育云平台
专题网站
智慧教育平台
党建评估网
成长网
评建网
群众路线网
创新创业网
第二次党代会
科学研究网
语言文字网
精品课程网
特色专业网
思修精品课程
商务谈判
微阳财务
湖南教育政务网
湖南教育网
为先在线
应用系统
一网通办
联系方式
成人教育报名系统
教务管理系统
学工管理系统
工资查询
招生管理系统
资产管理平台
人事管理系统
校本空间平台
辅导员问卷调查系统
学院概况
+
学院简介
现任领导班子
校名校徽
校训
校歌
历史沿革
招生信息
院系设置
机构设置
+
职能部门
教辅机构
就业信息
公共服务
+
地理位置
校园地图
乘车路线
校园文化
信息公开
首页
>
信息公开
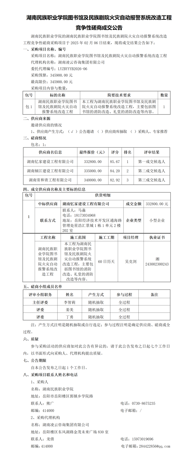
湖南民族职业学院图书馆及民族剧院火灾自动报警系统改造工程 竞争性磋商成交公告
作者:admin
发布时间:2026-02-09 12:20:48